镇江迪凯电仪设备有限公司

zhenjiang dikai Electric Instrument Equipment Co., Ltd.

联系热线:

013305288028

联系我们 Contact us

镇江迪凯电仪设备有限公司

地址:江苏省扬中市油坊镇长旺街

手机:013305288028

电话:0511-88525203

传真:0511-88525203

邮编:212216

YZG6-16自控仪表管路附件

当前位置:首页 > YZG6-16自控仪表管路附件

点击进入 YZG6-16 

日期:2021-01-14

 
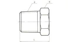
D0′ D0 D L 代号 Code
28 19 35 42 YZG6-1-28-19
35 19 44 45 YZG6-1-35-19
49 19 65 48 YZG6-1-49-19
28 23 35 44 YZG6-1-28-23
35 23 65 50 YZG6-1-35-23
49 23 65 50 YZG6-1-49-23
35 28 44 48 YZG6-1-35-28
49 28 65 52 YZG6-1-49-28
D0 d0 L 代号 Code No
15 11 22 YZG6-2-15
19 13 25 YZG6-2-19
23 18 30 YZG6-2-23
28 23 35 YZG6-2-28
35 29 40 YZG6-2-35
49 43 53 YZG6-2-49
 
 
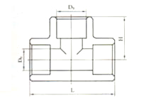
YZG6-3 承插焊三通接头 YZG6-4 承插焊四通接头
 
 
D0 d0 L H 代号 Code No
15 11 44 22 YZG6-3-15
19 13 50 26 YZG6-3-19
23 18 60 30 YZG6-3-23
28 23 70 35 YZG6-3-28
35 29 80 40 YZG6-3-35
49 43 106 53 YZG6-3-49
D0 d0 L 代号 Code No
15 11 44 YZG6-4-15
19 13 50 YZG6-4-19
23 18 60 YZG6-4-23
28 23 70 YZG6-4-28
35 29 80 YZG6-4-35
49 43 106 YZG6-4-49
 
YZG7-2 内螺纹弯通接头
   
 
d1 d2 d0 L H 代号 Code No
ZG 1/4″ ZG 1/4″ 8 21 21 YZG7-2-ZG 1/4″
ZG 1/2″ ZG 1/2″ 14 28 28 YZG7-2-ZG 1/2″
ZG 3/4″ ZG 3/4″ 20 34 34 YZG7-2-ZG 3/4″
ZG1″ ZG 1″ 25 39 39 YZG7-2-ZG1″
ZG1 1/4″ ZG1 1/4″ 32 45 45 YZG7-2-ZG1 1/4″
ZG1 1/2″ ZG1 1/2″ 38 50 50 YZG7-2-ZG1 1/2″
ZG2″ ZG 2″ 48 59 59 YZG7-2-ZG2″
ZG 1/2″ ZG 1/4″ 8 24 25 YZG7-2-ZG 1/2″-ZG 1/4″
ZG 3/4″ ZG 1/4″ 8 28 18 YZG7-2-ZG 3/4″-ZG 1/4″
ZG1″ ZG 1/2″ 14 33 33 YZG7-2-ZG1″-ZG 1/2″
ZG 1 1/4″ ZG 1/2″ 14 37 36 YZG7-2-ZG1 1/4″-ZG 1/2″
ZG 1 1/2″ ZG 1/2″ 14 40 37 YZG7-2-ZG1 1/2″-ZG1 1/2″
ZG 3/4″ ZG 1/2″ 14 32 31 YZG7-2-ZG 3/4″-ZG 1/2″
ZG 1/4″ ZG 1/4″ 8 21 21 YZG7-2-ZG 1/4″
ZG 1/2″ ZG 1/2″ 13 28 28 YZG7-2-ZG 1/2″
ZG 3/4″ ZG 3/4″ 18 34 34 YZG7-2-ZG 3/4″
ZG1″ ZG 1″ 23 38 38 YZG7-2-ZG1″
ZG1 1/4″ ZG1 1/4″ 30 44 44 YZG7-2-ZG1 1/4″
ZG1 1/2″ ZG1 1/2″ 36 48 48 YZG7-2-ZG1 1/2″
ZG 2″ ZG 2″ 45 57 57 YZG7-2-ZG2″
ZG 1/2″ ZG 1/4″ 8 24 25 YZG7-2-ZG 1/2″-ZG 1/4″
ZG 3/4″ ZG 1/4″ 8 27 29 YZG7-3-ZG 3/4″-ZG 1/4″
ZG1″ ZG 1/2″ 13 33 33 YZG7-2-ZG1″-ZG 1/2″
ZG 1 1/4″ ZG 1/2″ 13 37 36 YZG7-2-ZG1 1/4″-ZG 1/2″
ZG 1 1/2″ ZG 1/2″ 13 39 37 YZG7-2-ZG1 1/2″-ZG1 1/2″
ZG 3/4″ ZG 1/2″ 13 30 31 YZG7-2-ZG 3/4″-ZG 1/2″
 
 
YZG7-3 内螺纹三通接头  
 
 
d1 d2 d3 d0 L H 代号 Code No
ZG 1/4″ ZG 1/4″ ZG 1/4″ 8 43 21 YZG7-3-ZG 1/4″
ZG 1/2″ ZG 1/2″ ZG 1/2″ 14 57 28 YZG7-3-ZG 1/2″
ZG 3/4″ ZG 3/4″ ZG 3/4″ 20 68 34 YZG7-3-ZG 3/4″
ZG1″ ZG1″ ZG1″ 25 79 39 YZG7-3-ZG1″
ZG1 1/4″ ZG1 1/4″ ZG1 1/4″ 32 90 45 YZG7-3-ZG1 1/4″
ZG1 1/2″ ZG1 1/2″ ZG1 1/2″ 38 100 50 YZG7-3-ZG1 1/2″
ZG2″ ZG 2″ ZG 2″ 48 118 59 YZG7-3-ZG2″
ZG 1/2″ ZG 3/4″ ZG 3/4″ 20 62 31 YZG7-3-ZG 1/2″-ZG 3/4″-ZG 3/4″
ZG 3/4″ ZG 1/2″ ZG 1/2″ 20 65 34 YZG7-3-ZG 3/4″-ZG 1/2″-ZG 3/4″
ZG 1/2″ ZG1″ ZG1″ 25 68 33 YZG7-3-ZG 1/2″-ZG1″-ZG1″
ZG 1″ ZG 1/2″ ZG 1″ 25 73 39 YZG7-3-ZG1″-ZG 1/2″-ZG1″
ZG 1/2″ ZG1 1/4″ ZG1 1/4″ 32 72 37 YZG7-3-ZG 1/2″-ZG1 1/4″-ZG1 1/4″
ZG1 1/4″ ZG 1/2″ ZG1 1/4″ 32 82 45 YZG7-3-ZG1 1/4″-ZG 1/2″-ZG1 1/4″
ZG 1/2″ ZG1 1/2″ ZG1 1/2″ 38 76 40 YZG7-3-ZG 1/2″-ZG 1/2″-ZG 1/2″
ZG1 1/4″ ZG 1/2″ ZG1 1/2″ 38 90 50 YZG7-3-ZG1 1/4″-ZG 1/2″-ZG 1/2″
ZG 1/4″ ZG 1/4″ ZG1 1/2″ 8 42 21 YZG7-3-ZG 1/4″-ZG 1/4″-ZG1 1/2″
ZG 1/2″ ZG 1/2″ ZG 1/4″ 13 56 28 YZG7-3-ZG 1/2″-ZG 1/2″-ZG 1/4″
ZG 3/4″ ZG 3/4″ ZG 1/2″ 18 68 34 YZG7-3-ZG 3/4″-ZG 3/4″ZG 1/2″
ZG1″ ZG1″ ZG 3/4″ 23 76 38 YZG7-3-ZG1″-ZG1″-ZG 3/4″
ZG1 1/4″ ZG1 1/4″ ZG1″ 30 89 44 YZG7-3-ZG1 1/4″-ZG1 1/4″ZG1″
ZG1 1/2″ ZG1 1/2″ ZG1 1/4″ 36 97 48 YZG7-3-ZG1 1/2″-ZG1 1/2″-ZG1 1/4″
ZG2″ ZG2″ ZG1 1/2″ 45 115 57 YZG7-3-ZG2″-ZG2″-ZG1 1/2″
 
YZG8 金属软管接头
   
 
材料:material 20、1Cr18Ni9Ti、316、316L
 
 
YZG8-3 内螺纹金属软管接头  
 
 
d D0 d0 L I S1 S2 代号 Code No
M16×1.5 17 11 49 12 27 27 YZG8-3-M16×1.5-DN13
M18×1.5 19.5 13 56 14 30 30 YZG8-3-M18×1.5-DN15
M20×1.5 19.5 14 56 14 30 30 YZG8-3-M20×1.5-DN15
M27×2 25 20 64 16 36 36 YZG8-3-M27×2-DN20
M33×2 31 25 71 21 41 46 YZG8-3-M33×2-DN25
G1/2″ 19.5 14 56 14 30 30 YZG8-3-G1/2″-DN15
G3/4″ 19.5 14 58 16 30 30 YZG8-3-G3/4″-DN15
G1″ 25 20 69 21 36 36 YZG8-3-G1″-DN20
ZG1/2″ 19.5 14 60 18 30 30 YZG8-3-ZG1/2″-DN15
ZG3/4″ 19.5 14 62 20 30 30 YZG8-3-ZG3/4″-DN15
 
 
YZG9-1 端焊接橡胶管接头
 
YZG11-1 直形连接头(一)
   
 
d D0 d0 D L I1 I2 代号 Code No
M16×1.5 14 7 36 80 27 8 YZG11-1-M16×1.5
M20×1.5 14 7 40 80 27 8 YZG11-1-M20×1.5
M27×2 22 18 47 60 32 8 YZG11-1-M27×2-1
M27×2 22 18 47 80 32 8 YZG11-1-M27×2-2
M27×2 22 18 47 120 32 8 YZG11-1-M27×2-3
M27×2 22 18 47 140 34 8 YZG11-1-M27×2-4
M33×2 30 24 55 60 34 8 YZG11-1-M33×2-1
M33×2 30 24 55 80 34 8 YZG11-1-M33×2-2
M33×2 30 24 55 120 34 8 YZG11-1-M33×2-3
M33×2 30 24 55 140 34 8 YZG11-1-M33×2-4
G1/2″ 21 16 39 60 35 8 YZG11-1-G1/2″-1
G1/2″ 21 16 39 80 35 8 YZG11-1-G1/2″-2
G1/2″ 21 16 39 120 35 8 YZG11-1-G1/2″-3
G3/4″ 25 20 47 60 41 8 YZG11-1-G3/4″-1
G3/4″ 25 20 47 70 41 8 YZG11-1-G3/4″-2
G3/4″ 25 20 47 80 41 8 YZG11-1-G3/4″-3
G3/4″ 25 20 47 120 41 8 YZG11-1-G3/4″-4
G1″ 35 25 55 60 42 8 YZG11-1-G1″-1
G1″ 35 25 55 70 42 8 YZG11-1-G1″-2
G1″ 35 25 55 80 42 8 YZG11-1-G1″-3
G1″ 35 25 55 120 42 8 YZG11-1-G1″-4
G1 1/2″ 40 30 70 80 45 8 YZG11-1-G1 1/2″-1
G1 1/2″ 40 30 70 120 45 8 YZG11-1-G1 1/2″-2
 
 
YZG11-2 直形连接头(二)  
 
 
d d0 D L 代号 Code No
ZG1/2″ 18 30 40 YZG11-2-ZG1/2″-1
ZG1/2″ 18 30 60 YZG11-2-ZG1/2″-2
ZG1/2″ 18 30 120 YZG11-2-ZG1/2″-3
ZG3/4″ 23 35 45 YZG11-2-ZG3/4″-1
ZG3/4″ 23 35 80 YZG11-2-ZG3/4″-2
ZG3/4″ 23 35 120 YZG11-2-ZG3/4″-3
ZG1″ 29 44 50 YZG11-2-ZG1″-1
ZG1″ 29 44 80 YZG11-2-ZG1″-2
ZG1″ 29 44 120 YZG11-2-ZG1″-3
ZG1 1/2″ 43 65 70 YZG11-2-ZG1 1/2″-1
ZG1 1/2″ 43 65 100 YZG11-2-ZG1 1/2″-2
ZG1 1/2″ 43 65 120 YZG11-2-ZG1 1/2″-3
 
 
YZG11-3 45°→角形接头
   
 
d D0 d0 D L I 代号 Code No
M27×2 28 18 47 90 30 YZG11-3-M27×2-1
M27×2 28 18 47 110 30 YZG11-3-M27×2-2
M27×2 28 18 47 140 30 YZG11-3-M27×2-3
M27×2 28 18 47 150 30 YZG11-3-M27×2-4
M33×2 36 24 55 90 30 YZG11-3-M33×2-1
M33×2 36 24 55 110 30 YZG11-3-M33×2-2
M33×2 36 24 55 140 30 YZG11-3-M33×2-3
M33×2 36 24 55 150 30 YZG11-3-M33×2-4
G1/2″ 27 16 39 90 30 YZG11-3-G1/2″-1
G1/2″ 27 16 39 140 30 YZG11-3-G1/2″-2
G1/2″ 27 16 39 150 30 YZG11-3-G1/2″-3
G3/4″ 31 20 47 90 30 YZG11-3-G3/4″-1
G3/4″ 31 20 47 140 30 YZG11-3-G3/4″-2
G3/4″ 31 20 47 150 30 YZG11-3-G3/4″-3
ZG1″ 41 25 55 90 40 YZG11-3-ZG1″-1
ZG1″ 41 25 55 110 40 YZG11-3-ZG1″-2
ZG1″ 41 25 55 150 40 YZG11-3-ZG1″-3
ZG1 1/2″ 58 44 70 150 25 YZG11-3-G1 1/2″
 
 
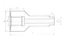
YZG11-4 双金属温度计直形管嘴  
 
 
d D0 d0 D L I1 I2 代号 Code No
M27×2 22 14 47 80 22 8 YZG11-4-1
M27×2 22 14 47 100 22 8 YZG11-4-2
M27×2 22 14 47 140 22 8 YZG11-4-3
 
 
YZG11-5 双金属温度计斜形管嘴
 
 
 
 
YZG12-1 接表阀接头
   
 
d d0 L S 代号 Code No
M20×1.5左 8 45 14 YZG12-1
 
 
YZG12-4 压力表接头(B)  
 
 
d1 d2 I1 I2 L S 代号 Code No
G1/4″ G1/2″ 13 16 33 27 YZG12-4-ZG1/4″-G1/2″
G1/2″ M10×1 16 16 36 27 YZG12-4-ZG1/2″-M10×1
 
 
YZG14-1 单头短节·单头加厚短节
 
 
ZG D d0 L 代号 Code No
ZG 1/4″ 14 8 50 YZG14-1-ZG 1/4″
ZG 3/8″ 18 10 70 YZG14-1-ZG 3/8″
ZG 1/2″ 22 15 70 YZG14-1-ZG 1/2″
ZG 3/4″ 27 20 70 YZG14-1-ZG 3/4″
ZG 1″ 34 27 100 YZG14-1-ZG 1″
ZG 11/2″ 48 31 100 YZG14-1-ZG 11/2″
ZG 2″ 60 45 120 YZG14-1-ZG 2″
ZG 1/4″ 14 3 50 YZG14-1-ZG 1/4″
ZG 3/8″ 18 5 70 YZG14-1-ZG 3/8″
ZG 1/2″ 22 10 70 YZG14-1-ZG 1/2″
ZG 3/4″ 27 15 70 YZG14-1-ZG 3/4″
ZG 1″ 34 22 100 YZG14-1-ZG 1″
ZG 11/2″ 48 28 100 YZG14-1-ZG 11/2″
ZG 2″ 60 40 120 YZG14-1-ZG 2″
 
YZG14-2 双头短节, 双头加厚短节
   
 
ZG d0 L 代号 Code No
ZG 1/4″ 8 60 YZG14-2-ZG 1/4″
ZG 3/8″ 10 60 YZG14-2-ZG 3/8″
ZG 1/2″ 15 60 YZG14-2-ZG 1/2″
ZG 3/4″ 20 70 YZG14-2-ZG 3/4″
ZG1″ 27 80 YZG14-2-ZG1″
ZG1 1/2″ 31 120 YZG14-2-ZG1 1/2″
ZG2″ 45 120 YZG14-2-ZG2″
ZG 1/4″ 3 60 YZG14-2-ZG 1/4″-J
ZG 3/8″ 5 60 YZG14-2-ZG 3/8″-J
ZG 1/2″ 10 60 YZG14-2-ZG 1/2″-J
ZG 3/4″ 15 70 YZG14-2-ZG 3/4″-J
ZG1″ 22 80 YZG14-2-ZG1″-J
ZG1 1/2″ 28 120 YZG14-2-ZG1 1/-J
ZG2″ 40 120 YZG14-2-ZG2″-J
 
 
YZG14-5 内外接头(一)  
 
 
d ZG d0 S L 代号 Code No
M10×1 ZG1/8″ 4 17 26 YZG14-5-M10×1-ZG1/8″
M14×1.5 ZG1/8″ 4 19 32 YZG14-5-M14×1.5-ZG1/8″
M10×1 ZG1/4″ 6 19 30 YZG14-5-M10×1-ZG1/4″
M14×1.5 ZG1/4″ 6 22 36 YZG14-5-M14×1.5-ZG1/4″
M18×1.5 ZG1/4″ 6 24 36 YZG14-5-M18×1.5-ZG1/4″
M14×1.5 ZG3/8″ 8 22 36 YZG14-5-M14×1.5-ZG3/8″
M18×1.5 ZG3/8″ 8 24 36 YZG14-5-M18×1.5-ZG3/8″
M20×1.5 ZG3/8″ 8 27 36 YZG14-5-M20×1.5-ZG3/8″
M18×1.5 ZG1/2″ 10 27 42 YZG14-5-M18×1.5-ZG1/2″
M20×1.5 ZG1/2″ 10 27 42 YZG14-5-M20×1.5-ZG1/2″
M22×1.5 ZG1/2″ 10 30 44 YZG14-5-M22×1.5-ZG1/2″
M24×1.5 ZG1/2″ 10 32 44 YZG14-5-M24×1.5-ZG1/2″
M24×1.5 ZG3/4″ 15 32 44 YZG14-5-M24×1.5-ZG3/4″
M27×2 ZG3/4″ 15 36 48 YZG14-5-M27×2-ZG3/4″
M33×2 ZG3/4″ 15 41 52 YZG14-5-M33×2-ZG3/4″
M27×2 ZG1″ 20 41 52 YZG14-5-M27×2-ZG1″
M33×2 ZG1″ 20 46 56 YZG14-5-M33×2-ZG1″
M42×2 ZG1″ 20 55 58 YZG14-5-M42×2-ZG1″
M33×2 ZG1/4″ 25 50 56 YZG14-5-M33×2-ZG1/4″
M42×2 ZG1/4″ 25 55 58 YZG14-5-M42×2-ZG1/4″
M48×2 ZG1/4″ 25 60 60 YZG14-5-M48×2-ZG1/4″
M42×2 ZG1/2″ 32 55 62 YZG14-5-M42×2-ZG1/2″
M48×2 ZG1/2″ 32 60 62 YZG14-5-M48×2-ZG1/2″
 
 
YZG15-1 内螺纹式活接头 YZG15-2 焊接式活接头(一)
   
 
ZG S L 代号 Code No
ZG1/4″ 36 48 YZG15-1-ZG1/4″
ZG3/8″ 42 56 YZG15-1-ZG3/8″
ZG1/2″ 46 60 YZG15-1-ZG1/2″
ZG3/4″ 55 68 YZG15-1-ZG3/4″
ZG1″ 65 75 YZG15-1-ZG1″
ZG11/2″ 75 84 YZG15-1-ZG11/2″
ZG2″ 85 90 YZG15-1-ZG2″
d0 S L 代号 Code No
15 36 44 YZG15-2-φ15
19 42 47 YZG15-2-φ19
23 46 48 YZG15-2-φ23
28 55 56 YZG15-2-φ28
35 65 59 YZG15-2-φ35
49 75 69 YZG15-2-φ49
69 85 78 YZG15-2-φ69
 
 
YZG15-3 焊接式活接头(二) YZG15-4 高压活接头
 
 
D0 d0 S L 代号 Code No
20 13 41 78 YZG15-3-φ20
24 16 46 88 YZG15-3-φ124
D0 d0 S S1 L 代号 Code No
φ14 6 36 17 86 YZG15-4-φ14
φ24 10 46 27 100 YZG15-4-φ24
φ35 15 65 38 130 YZG15-4-φ35
 
 
YZG16-1 堵头(一)
   
 
d S L 代号 Code No
G1/4″ 20 24 YZG16-1-G1/4″
G3/8″ 23 27 YZG16-1-G3/8″
G1/2″ 29 30 YZG16-1-G1/2″
G3/4″ 34 36 YZG16-1-G3/4″
M20 ×1.5 28 30 YZG16-1-M20 ×1.5
M27 ×2 34 36 YZG16-1-M27×2
 
 
YZG16-2 堵头(二)  
 
 
d S L 代号 Code No
ZG1/4″ 22 17 YZG16-2-ZG1/4″
ZG3/8″ 24 19 YZG16-2-ZG3/8″
ZG1/2″ 29 24 YZG16-2-ZG1/2″
ZG3/4″ 33 30 YZG16-2-ZG3/4″
ZG1″ 28 36 YZG16-2-ZG1″
ZG11/2″ 45 55 YZG16-2-ZG11/2″
 
 
YZG16-3 内螺纹堵头
 
 
d S L 代号 Code No
ZG1/4″ 17 17 YZG16-3-ZG1/4″
ZG3/8″ 20 22 YZG16-3-ZG3/8″
ZG1/2″ 25 27 YZG16-3-ZG1/2″
ZG3/4″ 30 32 YZG16-3-ZG3/4″
ZG1″ 36 41 YZG16-3-ZG1″
ZG11/2″ 42 55 YZG16-3-ZG11/2″
上一篇:
下一篇:
版权所有:镇江迪凯电仪设备有限公司
网址:www.cnzjdq.com 电话:0511-88520779 传真:0511-88525203 地址:扬中市油坊镇长旺街
技术支持:江苏易润
苏ICP备14058430号-1